
产品系列:DMS系列液压马达
发布日期:2022-04-08
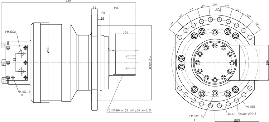
DMS系列马达是本公司集合多年生产实践经验,在法国技术基础上进行了设计改进,使DMS系列马达壳体强度增加,内部动态元件承载能力和抗污染能力增强。这一特点使该系列马达具有很高的连续功率范围。由于机械效率和容积效率高,同时又减少了内部单位负载力,因此减少了热量产生以及与此相关的负面效应。
该系列液压马达压力高,压力可达25MPa。重量轻、体积小,比功率高。由于结构简单,设计合理,采用负荷能力大的轴承,因而工作可靠、寿命长、噪音低,传动轴允许承受径向负荷,旋转方向可逆。
|
|

手机:13806669927
手机:13777200518
手机:13706843696
网址:www.nb-dongyu.cn
地址:浙江省宁波市镇海区蟹浦镇兴源路201号

浙公网安备33021102000925号
专利种类:实用新型专利
专利号:2021208610449 专利号:2021209222489 专利号:2021209222309
专利号:2021208723663 专利号:2021208614204 专利号:2021208919857