Loading...

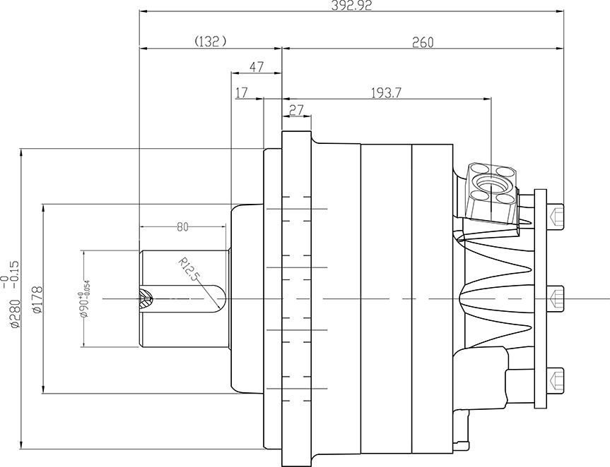
DMS11-DMSE11 柱塞液压马达

产品系列:DMS系列液压马达

发布日期:2022-04-08

DMS系列马达是本公司集合多年生产实践经验,在法国技术基础上进行了设计改进,使DMS系列马达壳体强度增加,内部动态元件承载能力和抗污染能力增强。这一特点使该系列马达具有很高的连续功率范围。由于机械效率和容积效率高,同时又减少了内部单位负载力,因此减少了热量产生以及与此相关的负面效应。
该系列液压马达压力高,压力可达25MPa。重量轻、体积小,比功率高。由于结构简单,设计合理,采用负荷能力大的轴承,因而工作可靠、寿命长、噪音低,传动轴允许承受径向负荷,旋转方向可逆。

立即询价

 

       DMS系列马达是本公司集合多年生产实践经验,在法国技术基础上进行了设计改进,使DMS系列马达壳体强度增加,内部动态元件承载能力和抗污染能力增强。这一特点使该系列马达具有很高的连续功率范围。由于机械效率和容积效率高,同时又减少了内部单位负载力,因此减少了热量产生以及与此相关的负面效应。

       该系列液压马达压力高,压力可达25MPa。重量轻、体积小,比功率高。

       由于结构简单,设计合理,采用负荷能力大的轴承,因而工作可靠、寿命长、噪音低,传动轴允许承受径向负荷,旋转方向可逆。

       产品广泛用于船舶、军工、煤矿机械、农业机械、工程机械、森林机械以及路面机械等众多领域。

 

       DMS11

       性能参数

       排量单速:837-1687 ml/r;双速:419-844 ml/r

       压力尖峰压力:40-35 Mpa;连续压力:25 Mpa

       额定扭矩:3165-6379 Nm;单位理论扭矩:126-255 Nm/MPa

       转速范围:0-150 r/min

       最大输出功率:44 Kw 

手机:13806669927

手机:13777200518

手机:13706843696

网址:www.nb-dongyu.cn

地址:浙江省宁波市镇海区蟹浦镇兴源路201号


扫一扫,关注我们
Copyright © 2022 宁波东裕液压有限公司 版权所有《中华人民共和国电信与信息服务业务经营许可证》
编号:浙ICP备19010687号

浙公网安备33021102000925号

专利种类:实用新型专利

专利号:2021208610449 专利号:2021209222489 专利号:2021209222309
专利号:2021208723663 专利号:2021208614204 专利号:2021208919857

专注液压马达、液压绞车(卷扬机)、液压回转装置、行星减速机、轮式行走装置等传动系列产品