
产品系列:DYNJ系列液压绞车
发布日期:2022-04-07
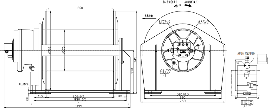
DYJ-N系列内藏式液压绞车是由本公司自主研发,绞车主要由低速马达或轴向柱塞马达、常闭多片式制动器、行星减速机、机架、卷筒、支承轴等组成。并可根据各种工况要求带不同的配流器,配流器中集成了相应的液压阀,如平衡阀、过载阀、高压梭阀等。该系列绞车具有结构紧凑、体积小、重量轻、外形美观等特点,在性能方上则具有安全性好、低速稳定性好、噪音小,操作可靠等特点,该产品主要用在随车起重机、汽车起重机、高空作业车等设备中,产品畅销国内各知名企业,并已出口到俄罗斯、澳大利亚、印度等国家。
立即询价
|
|

手机:13806669927
手机:13777200518
手机:13706843696
网址:www.nb-dongyu.cn
地址:浙江省宁波市镇海区蟹浦镇兴源路201号

浙公网安备33021102000925号
专利种类:实用新型专利
专利号:2021208610449 专利号:2021209222489 专利号:2021209222309
专利号:2021208723663 专利号:2021208614204 专利号:2021208919857