Loading...

DFT36T3 行走减速机

产品系列:DFT系列行走减速机

发布日期:2022-04-06

DFT系列液压行走减速机是轮式或履带式挖掘机、旋挖钻机、高空作业车、履带和汽车起重机、船用克令吊等各种需要驱动转台设备的理想回转减速部件,在非常恶劣的使用工况下能提供可靠的性能。
产品结构紧凑,节省空间,效率高,寿命长,内置多片式停车制动器,安装与维修方便。该产品采用模块化设计,优化的齿轮制造,以及高质量生产工艺,保证了其高承载能力和工作可靠性。其输出为转动的外壳,转动的外壳配置了可承受大的轴向、径向负载的轴承和高强度螺栓,因而可直接与车轮连接,驱动车轮和履带转动。

立即询价

 

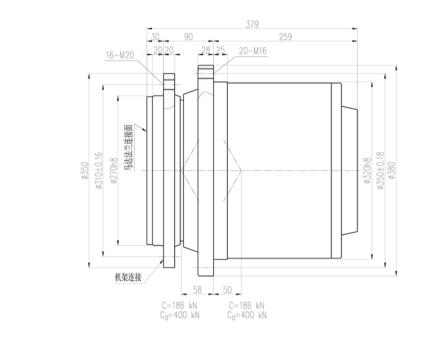
DFT36T3 Serise

可输出扭矩Tmax N.m

传动比 i

液压马达

可输入转速r/min

静制动扭矩TBr max N.m

制动器工作压力MPa

36000

97

79.6

100

116.6

A2FE45

A2FE56

A2FE63

A2FE80

A2FE90

A6VE55

A6VE80

2000

400~750

1.8~5

 

       1.减速机输入转向与输出转向相反,除表中所列传动比外,对有批量的产品传动比可以另选.

       2.输出转速允用值(样本中未规定)因实际工况的不同而有所变化,详情请咨询本公司相关技术人员.

 

       DFT系列液压行走减速机是轮式或履带式挖掘机、旋挖钻机、高空作业车、履带和汽车起重机、船用克令吊等各种需要驱动转台设备的理想回转减速部件,在非常恶劣的使用工况下能提供可靠的性能。

       产品结构紧凑,节省空间,效率高,寿命长,内置多片式停车制动器,安装与维修方便。该产品采用模块化设计,优化的齿轮制造,以及高质量生产工艺,保证了其高承载能力和工作可靠性。其输出为转动的外壳,转动的外壳配置了可承受大的轴向、径向负载的轴承和高强度螺栓,因而可直接与车轮连接,驱动车轮和履带转动。该产品的安装连接尺寸和主要技术参数与欧洲进口产品相同,两者可以互换,因而可以替代进口产品。

       所列出的经液压行走减速机表示公司已投入生产的产品。我们也可以根据客户要求提供其他安装尺寸及不同传动比的型号。各型号产品用户有超功率使用要求时,可与本公司联系,在对液压马达和行星减速器运动部件的材质和表面进行特殊处理后,产品的性能和传动功率可以有较大的提高,但制造成本和价格也会相应提高。我们可在客户选型阶段为客户提供相关咨询服务,以期为客户找适合的传动解决方案。如有需要,请与本公司技术或销售部联系。

       该类产品已广泛用于轮式或履带挖掘机、履带起重机、旋挖钻机、船用克令吊等设备中,产品已在国内多个知名企业中使用,并出口到东南亚、印度、澳大利亚、俄罗斯等地区和国家。  

手机:13806669927

手机:13777200518

手机:13706843696

网址:www.nb-dongyu.cn

地址:浙江省宁波市镇海区蟹浦镇兴源路201号


扫一扫,关注我们
Copyright © 2022 宁波东裕液压有限公司 版权所有《中华人民共和国电信与信息服务业务经营许可证》
编号:浙ICP备19010687号

浙公网安备33021102000925号

专利种类:实用新型专利

专利号:2021208610449 专利号:2021209222489 专利号:2021209222309
专利号:2021208723663 专利号:2021208614204 专利号:2021208919857

专注液压马达、液压绞车(卷扬机)、液压回转装置、行星减速机、轮式行走装置等传动系列产品