
产品系列:DFT系列行走减速机
发布日期:2022-04-06
DFT系列液压行走减速机是轮式或履带式挖掘机、旋挖钻机、高空作业车、履带和汽车起重机、船用克令吊等各种需要驱动转台设备的理想回转减速部件,在非常恶劣的使用工况下能提供可靠的性能。
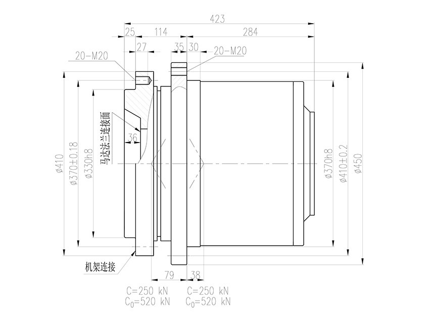
产品结构紧凑,节省空间,效率高,寿命长,内置多片式停车制动器,安装与维修方便。该产品采用模块化设计,优化的齿轮制造,以及高质量生产工艺,保证了其高承载能力和工作可靠性。其输出为转动的外壳,转动的外壳配置了可承受大的轴向、径向负载的轴承和高强度螺栓,因而可直接与车轮连接,驱动车轮和履带转动。
|
|||||||||||||||
|

手机:13806669927
手机:13777200518
手机:13706843696
网址:www.nb-dongyu.cn
地址:浙江省宁波市镇海区蟹浦镇兴源路201号

浙公网安备33021102000925号
专利种类:实用新型专利
专利号:2021208610449 专利号:2021209222489 专利号:2021209222309
专利号:2021208723663 专利号:2021208614204 专利号:2021208919857