Loading...

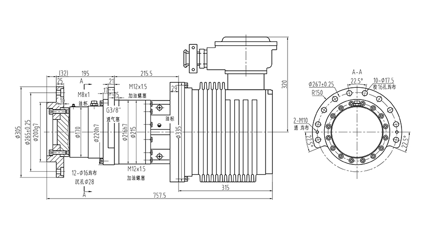
DYH4000-27-00 行星减速机

产品系列:DYH系列行星减速机

发布日期:2022-08-26

DYH系列行星减速回转装置是由本公司自主研发,由液压马达、液压常闭多片式制动器行星减速器等组成。并可根据各种工况要求带不同的配流器,配流器中集成了相应的液压阀,如平衡阀、过载载阀、高压梭阀等。该系列减速机具有结构紧凑、体积小、重量轻、外形美观等特点,在性能方上则具有安全性好、低速稳定性好、噪音小,运行可靠等特点,该产品主要用在随车起重机、汽车起重机、混凝土泵车、湿喷机、掘进机等设备中,产品畅销徐工集团等国内重点企业,并已出口到俄罗斯、澳大利亚、印度等国家。

立即询价

 

DYH4000-27 Serise

最大扭矩Tmax N.m 传动比  i 电机 输入转速r/min 静制动扭矩TBr max N.m 额定功率/电流
4000

27

YBVF-6(160S)隔爆型

≤4750 180V/27.5A

1.减速机输入转向与输出转向相同,除表中所列传动比外,对有批量的产品传动比可以另选。

2.输出转速允用值(样本中未规定)因实际工况的不同而有所变化,详情请咨询本公司相关技术人员。

       DYH系列行星减速回转装置是由本公司自主研发,由液压马达、液压常闭多片式制动器行星减速器等组成。并可根据各种工况要求带不同的配流器,配流器中集成了相应的液压阀,如平衡阀、过载载阀、高压梭阀等。该系列减速机具有结构紧凑、体积小、重量轻、外形美观等特点,在性能方上则具有安全性好、低速稳定性好、噪音小,运行可靠等特点,该产品主要用在随车起重机、汽车起重机、混凝土泵车、湿喷机、掘进机等设备中,产品畅销徐工集团等国内重点企业,并已出口到俄罗斯、澳大利亚、印度等国家。

       各型号产品用户有超功率使用要求时,可与本公司联系,在对行星减速机运动部件的材质和表面进行特殊处理后,产品的性能和传动功率可以有较大的提高,但制造成本和价格也会相应提高。

       相应的传动装置加上不同型号的输出齿轮可适应不同的工况,如需定制回转装置,请直接与本公司联系。

手机:13806669927

手机:13777200518

手机:13706843696

网址:www.nb-dongyu.cn

地址:浙江省宁波市镇海区蟹浦镇兴源路201号


扫一扫,关注我们
Copyright © 2022 宁波东裕液压有限公司 版权所有《中华人民共和国电信与信息服务业务经营许可证》
编号:浙ICP备19010687号

浙公网安备33021102000925号

专利种类:实用新型专利

专利号:2021208610449 专利号:2021209222489 专利号:2021209222309
专利号:2021208723663 专利号:2021208614204 专利号:2021208919857

专注液压马达、液压绞车(卷扬机)、液压回转装置、行星减速机、轮式行走装置等传动系列产品