Loading...

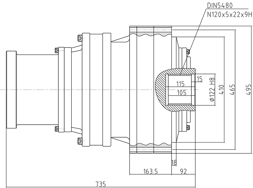
DYD31130 动力头减速机

产品系列:DYD系列动力头减速机

发布日期:2022-04-08

DYD系列动力头减速机主要由行星减速器及各种功能配流器组成。它具有径向尺寸小、重量轻、扭矩大,输出轴可承受较大的径向与轴向外力,起动效率高,优越的低速稳定性,传动效率高,低噪音,经济性好等特点。因而广泛适用于建筑工程、铁路、公路、船舶、石油、煤矿、治金等各种机械中。根据不同需要,用户可选配制动器及集成各种功能阀件的配流器。
各型号产品用户有超功率使用要求时,可与本公司联系,在对行星减速机运动部件的材质和表面进行特殊处理后,产品的性能和传动功率可以有较大的提高,但制造成本和价格也会相应提高。

立即询价

 

DYD31130 Serise

输出扭矩Tmax N.m

传动比  i

液压马达

输入转速r/min

静制动扭矩TBr max N.m

制动器工作压力MPa

100000

37.125

A6VM160

2500

0

0

 

       1.减速机输入转向与输出转向相同,除表中所列传动比外,对有批量的产品传动比可以另选.

       2.输出转速允用值(样本中未规定)因实际工况的不同而有所变化,详情请咨询本公司相关技术人员.  

       DYT系列动力头减速机主要由行星减速器及各种功能配流器组成。它具有径向尺寸小、重量轻、扭矩大,输出轴可承受较大的径向与轴向外力,起动效率高,优越的低速稳定性,传动效率高,低噪音,经济性好等特点。因而广泛适用于建筑工程、铁路、公路、船舶、石油、煤矿、治金等各种机械中。根据不同需要,用户可选配制动器及集成各种功能阀件的配流器。

       各型号产品用户有超功率使用要求时,可与本公司联系,在对行星减速机运动部件的材质和表面进行特殊处理后,产品的性能和传动功率可以有较大的提高,但制造成本和价格也会相应提高。

       相应的传动装置加上输出齿轮可制成回转装置,如需选购回转装置,请直接与本公司联系。

手机:13806669927

手机:13777200518

手机:13706843696

网址:www.nb-dongyu.cn

地址:浙江省宁波市镇海区蟹浦镇兴源路201号


扫一扫,关注我们
Copyright © 2022 宁波东裕液压有限公司 版权所有《中华人民共和国电信与信息服务业务经营许可证》
编号:浙ICP备19010687号

浙公网安备33021102000925号

专利种类:实用新型专利

专利号:2021208610449 专利号:2021209222489 专利号:2021209222309
专利号:2021208723663 专利号:2021208614204 专利号:2021208919857

专注液压马达、液压绞车(卷扬机)、液压回转装置、行星减速机、轮式行走装置等传动系列产品