Loading...

DYNJ40-24-16 液压绞车

产品系列:DYNJ系列液压绞车

发布日期:2022-04-07

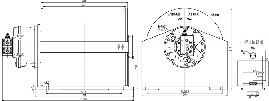
DYJ-N系列内藏式液压绞车是由本公司自主研发,绞车主要由低速马达或轴向柱塞马达、常闭多片式制动器、行星减速机、机架、卷筒、支承轴等组成。并可根据各种工况要求带不同的配流器,配流器中集成了相应的液压阀,如平衡阀、过载阀、高压梭阀等。该系列绞车具有结构紧凑、体积小、重量轻、外形美观等特点,在性能方上则具有安全性好、低速稳定性好、噪音小,操作可靠等特点,该产品主要用在随车起重机、汽车起重机、高空作业车等设备中,产品畅销国内各知名企业,并已出口到俄罗斯、澳大利亚、印度等国家。

立即询价

 

型号 拉力
(kN)
绳速
(m/min)
总排量
(ml/r)
工作压差(MPa) 钢丝绳直径(mm)

容绳量(m)

马达型号 减速机型号
DYNJ40-24-16 40 0-24 3107.5 15 16 250 ZGM2-600D12010 C3-5.5

 

       DYJ-N系列内藏式液压绞车是由本公司自主研发,绞车主要由低速马达或轴向柱塞马达、常闭多片式制动器、行星减速机、机架、卷筒、支承轴等组成。并可根据各种工况要求带不同的配流器,配流器中集成了相应的液压阀,如平衡阀、过载阀、高压梭阀等。该系列绞车具有结构紧凑、体积小、重量轻、外形美观等特点,在性能方上则具有安全性好、低速稳定性好、噪音小,操作可靠等特点,该产品主要用在随车起重机、汽车起重机、高空作业车等设备中,产品畅销国内各知名企业,并已出口到俄罗斯、澳大利亚、印度等国家。

手机:13806669927

手机:13777200518

手机:13706843696

网址:www.nb-dongyu.cn

地址:浙江省宁波市镇海区蟹浦镇兴源路201号


扫一扫,关注我们
Copyright © 2022 宁波东裕液压有限公司 版权所有《中华人民共和国电信与信息服务业务经营许可证》
编号:浙ICP备19010687号

浙公网安备33021102000925号

专利种类:实用新型专利

专利号:2021208610449 专利号:2021209222489 专利号:2021209222309
专利号:2021208723663 专利号:2021208614204 专利号:2021208919857

专注液压马达、液压绞车(卷扬机)、液压回转装置、行星减速机、轮式行走装置等传动系列产品